Produkter
Kontraventil i støbt stål
  • Kontraventil i støbt stålKontraventil i støbt stål

Kontraventil i støbt stål

Jinqiu Valve fremstiller kontraventiler i støbt stål af høj kvalitet, som er automatiske ventiler, der åbner automatisk baseret på mediets flowtryk og lukker automatisk ved tyngdekraft eller modtryk, når mediet flyder bagud. Disse ventiler er velegnede til forskellige industrielle rørledninger, er typisk lavet af støbt stål og er anvendelige til en række medier og temperaturforhold.

Jinqiu-ventilfabrikkens holdbare kontraventil i støbt stål er symmetrisk på begge sider, hvilket giver mulighed for tovejs medieflow. Installationen er ligetil, hvilket eliminerer behovet for at overveje rørledningens retning, og driften er fleksibel og bekvem. Vores fabrik overholder principperne om integritet og kvalitet først. Vi hilser dine henvendelser velkommen og håber at etablere et langsigtet samarbejde med dig. Vi har fordele inden for fremstilling, mens du har fordele inden for salg. Vi tror på, at vi gennem samarbejde kan opnå en win-win situation, og vi håber at vokse sammen!


1. Lav væskemodstand: Det indvendige medium i den støbte stålkontraventil flyder i en lige linje med minimal modstand, hvilket letter jævn væsketransport, energieffektivitet og praktisk anvendelighed.
2. Let at åbne og lukke: Porten til den støbte stålkontraventil bevæger sig lodret med væsken, hvilket kræver minimal kraft for at åbne og lukke, hvilket forenkler betjeningen og sparer arbejdsomkostninger.
3. Ubegrænset mediumstrømningsretning: Kontraventilen i støbt stål er symmetrisk på begge sider, hvilket tillader tovejs medieflow. Installation kræver ikke overvejelse af rørledningens strømningsretning, hvilket gør driften fleksibel og bekvem.
4. Fremragende tætningsevne: Slid er minimalt, når det er helt åbent; når den er lukket, kan trykket fremtvinge en tætning, hvilket effektivt forhindrer mediumlækage.

Præstationsparametre

model H44H-16C~2=-0 H44W-16P~250
Arbejdstryk (MPa) 1,6~25
korrekt temperatur (℃) ≤425 ≤550
Egnede medier Vand, damp, olie Svagt ætsende medium
materiale Krop, motorhjelm, skive Kulstofstål Krom nikkel-titanium rustfrit stål
Tætningsoverflade Kulstofstål overflade på jernbaserede legeringer Krop forseglet

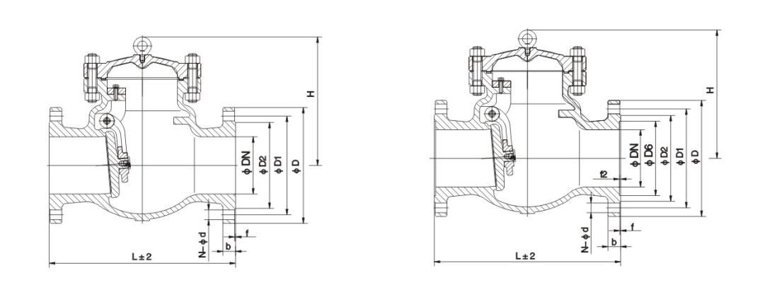
Hovedform og forbindelsesdimensioner

Nominel diameterDN Hovedmål og tilslutningsmål
L D D1 D2 b Z-d H
H44H-16C H44W-16C H44W-16P H44W-16R H44W-16I
25 160 115 85 65 16 4-14 100
32 180 135 100 78 16 4-18 105
40 200 145 100 85 16 4-18 115
50 230 160 125 100 16 4-18 135
65 290 180 145 120 18 4-18 142
80 310 195 160 135 20 8-18 165
100 350 215 180 155 20 8-18 180
125 400 245 210 185 22 8-18 210
150 480 280 240 210 24 8-23 233
200 500 335 295 265 26 12-23 304
250 550 405 355 320 30 12-25 348
300 650 460 410 375 30 12-25 390
350 750 520 470 435 34 16-25 430
400 850 580 525 485 36 16-30 468
H44H-25 H44W-25 H44W-25P H44W-25R H44W-25I
25 160 115 85 65 16 4-14 100
32 180 135 100 78 16 4-18 105
40 200 145 110 85 16 4-18 115
50 230 160 125 100 20 4-18 160
65 290 180 145 120 22 8-18 175
80 310 195 160 135 22 8-18 185
100 350 230 190 160 24 8-23 220
125 400 270 220 188 28 8-25 248
150 480 300 250 218 30 8-25 276
200 550 360 310 278 34 12-25 350
250 650 425 370 332 36 12-30 410
300 750 485 430 390 40 16-30 430
350 850 550 490 448 44 16-34 518
400 950 610 550 505 48 16-34 560

Struktur billede

Hot Tags: Kontraventil i støbt stål, Kina, tilpasset, kvalitet, holdbar, avanceret, producent, leverandør, fabrik, på lager
Send forespørgsel
Kontaktoplysninger
  • Adresse

    No.1, North 1st Road, Stainless Steel New Town, Lecong Steel World West Road, Shunde District, Foshan City, Guangdong Province, Kina

For forespørgsler om spjældventiler, kugleventiler og kontraventiler eller prisliste, bedes du efterlade din e-mail til os, og vi vil kontakte os inden for 24 timer.

X
Vi bruger cookies til at tilbyde dig en bedre browsingoplevelse, analysere trafik på webstedet og tilpasse indhold. Ved at bruge denne side accepterer du vores brug af cookies. Privatlivspolitik
Afvise Acceptere