Produkter
Kugleventil i rustfrit stål
  • Kugleventil i rustfrit stålKugleventil i rustfrit stål

Kugleventil i rustfrit stål

Holdbar J41H, J41Y, J41W kugleventil i rustfrit stål produceret af JQF Valve. Dens åbnings- og lukkedel er en cylindrisk ventilklap, tætningsfladen er flad eller konisk, og ventilklappen bevæger sig lineært langs væskens midterlinje. Den rustfri stålspærreventil er kun egnet til fuld åbning og fuld lukning. Det bruges generelt ikke til at justere flowhastigheden. Den kan justeres og drosles, når den er tilpasset.
Foshan Jinqiu Valve Co., LTD. er en højkvalitets producent af klodeventiler i rustfrit stål, der integrerer design, udvikling, fremstilling, salg og service. Vores hovedprodukter omfatter forskellige kontrolventiler, elektriske ventiler, pneumatiske ventiler, magnetventiler, manuelle ventiler, aktuatorer og ventiltilbehør.
Vores kugleventil i rustfrit stål er en skydeventil med et rustfrit stålstøbt hus, flangeforbindelser i begge ender og en portventilstruktur. Dens kernefunktion er at regulere flow præcist eller pålideligt lukke for mediet i rørledninger.
På grund af dens fremragende korrosionsbestandighed og pålidelige tætningsydelse er den blevet en af ​​de foretrukne ventiler til ætsende medier eller applikationer med høj renhed i kemiske, petrokemiske, fødevare- og farmaceutiske industrier.
Customers trust JQF valves' high quality, reliable performance, and good and comprehensive customer service. We will continue to innovate to provide first-class valve solutions.

1. Enkel struktur: Designet af rustfrit stål kugleventil er enkelt, hvilket gør fremstilling og vedligeholdelse praktisk og effektiv.
2. Hurtig reaktion: Kort arbejdsslag muliggør ekstrem hurtig åbning og lukning af ventilen.
3. Holdbar tætning: Fremragende tætningseffekt, minimal friktionsmodstand og lang levetid.

Executive Standard

Designspecifikationer: GB / T 12235
Strukturlængde: GB / T 12221
Flangeforbindelse: JB / T 79
Test og inspektion: JB / T 9002
Produktidentifikation: GB / T 12220
Leveringsspecifikationer: JB / T 7928

Præstationsparametre

model J41H-16C~160C J41Y-16C~160C J41W-16P~160P
Arbejdstryk (MPa) 1,6-16,0
korrekt temperatur (℃) ≤425 ≤150
Egnede medier Vand, damp, olie Svagt ætsende medium
materiale Krop, motorhjelm Kulstofstål Krom nikkel-titanium rustfrit stål
Ventilspindel Krom rustfrit stål Krom nikkel-titanium rustfrit stål
Tætningsoverflade Overfladende jernbaserede legeringer Hardfacing legering Kropsmateriale
fyldstof Asbestgrafit, fleksibel grafit, PTFE

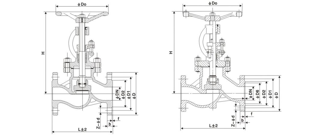
Hovedformen og forbindelsesstørrelsen

Nominel diameter Hovedmål og tilslutningsmål
L D D1 D2 b Z-d H D0
J41H-16C
15 130 95 65 45 14-2 4-Φ14 170 120
20 150 105 75 55 14-2 4-Φ14 190 140
25 160 115 85 65 14-2 4-Φ14 205 160
32 180 135 100 78 16-2 4-Φ18 270 180
40 200 145 110 85 16-3 4-Φ18 310 200
50 230 160 125 100 16-3 4-Φ18 358 240
65 290 180 145 120 18-3 4-Φ18 373 240
80 310 195 160 135 20-3 8-Φ18 435 280
100 350 215 180 155 20-3 8-Φ18 500 300
125 400 245 210 185 22-3 8-Φ18 614 320
150 480 280 240 210 24-3 8-Φ23 674 360
200 600 335 295 265 26-3 12-Φ23 811 400
250 650 405 355 320 30-3 12-Φ25 969 450
300 750 460 410 375 30-3 12-Φ25 1145 580
350 850 520 470 435 34-4 16-Φ25 1280 640
400 980 580 525 485 36-4 16-Φ30 1452 640
J41H-25C
15 130 95 65 45 16-2 4-Φ14 170 120
20 150 105 75 55 16-2 4-Φ14 190 140
25 160 115 85 65 16-2 4-Φ14 205 160
32 180 135 100 78 18-2 4-Φ18 270 180
40 200 145 110 85 18-3 4-Φ18 310 200
50 230 160 125 100 20-3 4-Φ18 358 240
65 290 180 145 120 22-3 8-Φ18 373 240
80 310 195 160 135 22-3 8-Φ18 435 280
100 350 230 190 160 24-3 8-Φ23 500 300
125 400 270 220 188 28-3 8-Φ25 614 320
150 480 300 250 218 30-3 8-Φ25 674 360
200 600 360 310 278 34-3 12-Φ25 811 400
250 650 425 370 332 36-3 12-Φ30 969 450
300 750 485 430 390 40-4 16-Φ30 1145 580
350 850 550 490 448 44-4 16-Φ34 1280 640
400 980 610 550 505 48-4 16-Φ34 1452 640

Struktur billede

Hot Tags: Kugleventil i rustfrit stål, Kina, tilpasset, kvalitet, holdbar, avanceret, producent, leverandør, fabrik, på lager
Send forespørgsel
Kontaktoplysninger
  • Adresse

    No.1, North 1st Road, Stainless Steel New Town, Lecong Steel World West Road, Shunde District, Foshan City, Guangdong Province, Kina

For forespørgsler om spjældventiler, kugleventiler og kontraventiler eller prisliste, bedes du efterlade din e-mail til os, og vi vil kontakte os inden for 24 timer.

X
Vi bruger cookies til at tilbyde dig en bedre browsingoplevelse, analysere trafik på webstedet og tilpasse indhold. Ved at bruge denne side accepterer du vores brug af cookies. Privatlivspolitik
Afvise Acceptere